Dell Vostro 1000 Motherboard
New Dell Oem Vostro 1000 15 4 Wxga Lcd Screen Yx005

P301d Dell Vostro 2 2s Motherboard G45m03 Intel Lga 775

Motherboard Dell Vostro 13 5370 Armani13 Main Board I3 8130u Pn 0tyxk Dell Laptop Vostro Vostro 13 5370

Dell Vostro 5490 Review A Hodgepodge Between An Xps And A Zenbook

Dell Vostro 1000 10 1310 Wifi 802 11ngb Wlan Card Nj449 Buy Products Online With Ubuy Lebanon In Affordable Prices B00m1xwbd8

31fx2mb0050 Dell 31fx2mb0050 Vostro 1000 Motherboard
Dell Vostro Planar Board.

Dell vostro 1000 motherboard. Battery, Keyboard, Fan, Motherboard, RAM, DVD, Wifi. Skip to main content. Dell Vostro 3671.
Compatible Dell Laptops Latitude 131L Vostro 1000 Inspiron 1501. Dell Vostro 1014 MotherboardDell Vostro 1014 Motherboard:. Page 1 of 1 Start over Page 1 of 1.
Wireless module specifications Description Values Model number Qualcomm QCA61x4A Qualcomm QC377 Realtek RTL8723DE. Disconnect video cable from the motherboard. From 13–15, the line was temporarily discontinued on some Dell websites but continued to be offered in other markets, such as Malaysia And India.
Dell Vostro 1000 Inspiron 1501 AMD Laptop Motherboard s1 DA0FX2MBAD7 CR584 Visit the Dell Store. Dell Vostro 1000 (Sempron 3500+ 2GHz, 512MB RAM, 60GB HDD, Vista Home Basic) overview and full product specs on CNET. For Dell Inspiron 5555 5455 Laptop motherboard AAL12 LA-C142P REV:3.0 with A8-7410 CPU (FOR AMD CPU) Mainboard tested 100% work Model #:.
The Dell Vostro 1000 Laptop takes the PC2-40/5300 DDR2 SDRAM SODIMMs. Buy SellZone Replacement Laptop Keyboard for Dell VOSTRO 1000 online at low price in India on worldmarts.in. Intel Core i5 1.6GHz Processor;.
Pull wireless card antenna cables though the opening in the top cover. Dell Vostro V130 Keyboard US Qwerty 0TTKTH- Keyboards for sale from pcbitz next day delivery available UK and international. UW953 – JN596 – CR584 – For Dell Inspiron 1501 / Latitude 131L / Vostro 1000 / AMD Motherboard.
I've found motherboards online that are the CR584, but after looking at the details it seems that it's for an AMD Turionx2 Processor and. Can you help me with what is the highest I can go as far as processor. 14.0-inch FHD (19 x 1080) Anti-Glare Warranty:.
Dell Vostro computer upgrades for every model - find your exact RAM specifications and upgrade options by selecting your Dell Vostro model here. Motherboard Supply, Laptop Motherboard, Mainboard, System Board, online shopping Dell Vostro 3460 CN-0J1V31 DA0V08MB6B0 Laptop Motherboard Mainboard tested & working perfect Vostro 3460 - Information :. Items in search results.
8 results for 1000 dell vostro motherboard. This is a genuine Dell replacement AMD Motherboard with Integrated ATI Video for the Dell Latitude 131L, Vostro 1000, and Inspiron 1501 laptops. Dell Inspiron 15 Vostro 1500 Intel Laptop Motherboard s478 WP043.
Find many great new & used options and get the best deals for Dell Vostro 1000 Faulty Motherboard Mainboard 0CR584 Ref 116 at the best online prices at eBay!. Dell Vostro 1000 2.6.3(A06) motherboard BIOS - PH7L1DX1 Free instant access to BIOS tips!. In my Dell Vostro 1000 I want to upgrade the processor.
Vostro 1000 black screen an i can hear it running, but can see. LLAMADA GRATUITA marcando 800-10-0238 01-800-915-6630 :. One (1) Year Warranty and Free Tech Support on Dell Vostro 1000 Motherboards and Dell 1000 laptop replacement Motherboards.
Dell Alienware X51 R2 Andromeda H87 LGA 1150 mini ITX Motherboard 0PGRP5 PGRP5. I have not noticed any problems with having the memory in it. Shop the Largest Selection of Dell Vostro 1000 Motherboards, 1000 LCD screens,1000 batteries, and 1000 keyboards.
256GB M.2 PCIe NVMe Solid State Drive Display:. AMD Radeon 2GB GDDR5 RAM:. Prior to Vostro, Dell's home and small business computers were sold under the same lines:.
The Dell Vostro Motherboard is also referred to as:. Between 13 and 15, the Vostro line was discontinued on some Dell websites but continued to be sold in other markets (such as Malaysia and India). The reviewed Vostro 1000 was equipped with the new mobile processor by AMD.
10th Generation Intel Core i7-U Processor Graphics:. Get contact details and address| ID:. 256GB Solid State Drive;.
Dell OEM Vostro 1500 Motherboard Main System Board WY041. View and Download Dell Vostro 1000 owner's manual online. It belongs to the latest of the 'Tyler' range, but is called Athlon 64 X2 TK-53 (1.7GHz).
Dell Vostro Logic Board. Free shipping for many products!. VGA,USB 2.0,Ethernet,Wifi Graphics Card Type:.
DDR3 1600 Number of Memory Slots:. You can upgrade your Dell Vostro 1000 Laptop to up to a maximum memory capacity of 2 GB Memory. UW953 – JN596 – CR584 – For Dell Inspiron 1501 / Latitude 131L / Vostro 1000 / AMD Motherboard.
4M Impex - Offering Dell Vostro 10 Motherboard, Dell Laptop Motherboard in Navi Mumbai, Maharashtra. A blank screen with evidence that the motherboard is working (the Capital "A" green light is probably the CAPS LOCK on your computer's keyboard) initially points to an output or video problem. After 15, the Vostro reappeared on all Dell outlet channels.
Part Number UW953 - JN596 - CR584 Condition Refurbished Item Weight 1.35 lb(s) Shipping way :Free economic shipping. 8 results for dell vostro 1000 motherboard Save dell vostro 1000 motherboard to get e-mail alerts and updates on your eBay Feed. We carry all Dell Vostro 1000 Motherboards / System Parts.
Fill in your name and email and receive our ebook 'How to update your PC BIOS in 3 easy steps' (15$ value) , free BIOS tips and updates about Wim's BIOS!. It differs from the identically. In this video we show you how to remove, replace and install the motherboard on your Dell Vostro laptop.
美善末吉Bizen Suekiti 68,723 views. A wide variety of dell vostro motherboard options are available to you, such as ddr2, ddr3, and ddr. Dell states that the Vostro 260 is an "essential" machine, meaning it provides just the right amount of power to get the job.
Dell Vostro 1000 Spanish Keyboard PC476. Don't click Like - better SUPPORT/SUBSCRIBE TO MY OTHER CHANNELS:. View Return Policy $171.00 –.
Try Prime EN Hello, Sign in Account & Lists Sign in Account & Lists Orders Try Prime Cart. Dell Vostro Circuit Board. Memory type, and comes installed with 0 MB (removable) memory.
Sep 17 - 22 Customers also shopped for. It was working fine till one day I had to fuss with the power cord in order for it to start. 分解組立ノートパソコン掃除埃取 Cleaning Laptop computer disassembly-reassembly Dell Vostro 1000 - Duration:.
Part Number UW953 - JN596 - CR584 Condition Refurbished Item Weight 1.35 lb(s) Shipping way :Free economic shipping. Transfer rate 10/100/1000 Wireless module Table 8. Dell Vostro is a line of laptop computers marketed toward small businesses.
DELL Vostro 1000 laptops technical specifications database. Dell Vostro 1000 Laptop Motherboard. Download and install the latest drivers, firmware and software.
UW953, JN596, CR584 – Compatible with any models shown above, part number does not need to match. Check out SellZone Replacement. View Return Policy $321.00 –.
One quick way to see if that is the case is if you conne. I have a Dell Vostro 1000 laptop, running Windows XP. The Dell Vostro 260 is an extremely affordable small business desktop.
The video cable has ground cable which is secured by one screws. Unfollow dell vostro 1000 motherboard to stop getting updates on your eBay Feed. Dell Vostro 1000 (AMD AthlonTM 64 X2 Dual-Core processor TK-55 1.8GHz, 1GB HDD, 2GB RAM) overview and full product specs on CNET.
Or Best Offer +C $214.80 shipping;. Dimension for home and small business desktops, and Inspiron. Find many great new & used options and get the best deals for Dell Vostro 1000 Laptop Motherboard System Board ATI Radeon 1150 CR584 at the best online prices at eBay!.
How much memory does the Dell Vostro 1000 Laptop take?. A friend advised that it was the Power cord and lend me his. WY041 GENUINE ORIGINAL DELL MOTHERBOARD INTEL VOSTRO 1500 PP22L (GRADE A)(AE510) $19.97.
Intel UHD Graphics 6;. Dell Vostro is a line of business-oriented computers from Dell aimed at small businesses. Transfer rate 10/100/1000 Mbps Wireless module Table 10.
Find over 30,000 products at your local Micro Center, including the Vostro 3490 14" Laptop Computer - Black;. Only 3 left in stock - order soon. For Dell Vostro 1000 1400 1500 1510 Charger PA-12 EU CHARGEURS.
Wireless module specifications Description Values Model number Qualcomm DW1707 Transfer rate Up to 150 Mbps Frequency bands supported 2.4 GHz Wireless standards WiFi 802.11b/g/n Wi-Fi 4 (WiFi 802.11n). Core i7 / i5 / i3 / Pentium / Celeron (LGA1150) Model #:. Apple iPhone 12 prices to start from $649 Apple iPhone 12 announcement Lenovo Legion gaming phone will arrive in July Phones Laptops Hardware Components Computers & Tablets Electronics Car Electronics DELL Vostro 1000 - laptop specifications.
How to Remove Replace Install your Dell Vostro 1000 MotherBoard. Vostro 1000 laptop pdf manual download. Get drivers and downloads for your Dell Vostro 1000.
Free delivery for many products!. How many total memory slots to install memory?. Dell Latitude 131L / Vostro 1000 / Inspiron 1501 Motherboard:.
Suitabl For Dell XPS 10 Desktop motherboard LGA 1151 Z170 DD4 CN-0WPMFG 0WPMFG WPMFG IPSKL-VM MainBoard perfect works. Dell Vostro 1000 Motherboards / System Replacement Laptop Parts. The max for the Dell Vostro 1000 is 8gb of ram if and only if your motherboard and processor are 64 bit not 32 because only 64 bit operating systems such as windows 7 will support the higher memory modules and the computer boots just fine with the 8gb of ram.
Minipci Wi-Fi System Dell Vostro 1000 PP23LB -. My friend fixed my old Power cord and when we plugged it in it worked then it went to a black screen. Dell Vostro System Board.
This is a genuine Dell replacement AMD Motherboard with Integrated ATI Video for the Dell Latitude 131L, Vostro 1000, and Inspiron 1501 laptops. Dell Vostro 1000 Laptop Motherboard System Board ATI Radeon 1150 CR584. Dell Vostro 1014 (T5784IN9) Dell Vostro 1014 (T5785IN9) Dell Vostro 1015 (T5786IN9) Dell Vostro 1015 (T5787IN9) Dell Vostro 10.
2×240pin PCI Express 3.0 x16:. 1 x PCI Express 3.0 x16 CPU Type:. Dell Vostro 1000 Notebook.
Dell Vostro 1000 CR584 DDR2 S1 Motherboard - Tested. Although it worked better than mines it sort of did the same thing. Dell Laptop Owner's Manual.
8GB DDR4 2666MHz Storage:.

31fx2mb0050 Dell 31fx2mb0050 Vostro 1000 Motherboard

Dell Vostro Laptop Newegg Com
9v0gr Dell Inspiron 11 M101z Motherboard System Board With Amd Athlon Ii Neo K325 1 3ghz Processor 9v0gr Mac Part Store

Wts Genuine Dell Vostro 1000 Laptop Amd Motherboard Assembly Da0fx2mbad Cr584 Tradeloop
Mx846 0mx846 Dell Wireless Mini Pci E Card Mx846

For Parts Inspiron 1501 Vostro 1000 Motherboard Uw953 Cr584 As Is Ebay
Dell Cr584 Vostro 1000 Laptop Motherboard Motherboards Blackmore It
Vostro 5481 M 2 Ssd Installation Incompetent Support Dell Community

Motherboard Dell Vostro 3300 Geforce 310m P N 5jr09 Dell Laptop Vostro Vostro 3300

Dell Vostro Laptop Newegg Com

Amazon Com Dell Motherboard Ati Cr584 Vostro 1000 Computers Accessories

Laptop Dell Vostro 1000 Tk 57 Pp23lb No Good Motherboard Youtube

Dell Inspiron Laptops Wikipedia

Cn 0w79x4 0w79x4 W79x4 For Dell Vostro 3500 V3500 Laptop Motherboard With N11m Ge1 S B1 Gpu Onboard Hm57 Ddr3 Fully Tested October

Buy Dell Vostro 1014 Laptop Motherboard 87txf 087txf Online In India At Lowest Prices Price In India Buysnip Com

Dell Inspiron 1501 Vostro 1000 Amd Laptop Motherboard S1 Da0fx2mbad7 Cr584 Ebay
Refurbished Dell Oem Inspiron 1501 Motherboard Uw953

Cn 0cr584 Laptop Dell Vostro 1000 Scheda Madre Testato Cr584

Dell Vostro Laptop Newegg Com

Review Of The Dell Vostro 1000 Part 1 Youtube

31fx2mb0002 0uw953 Cr584 Dell Inspiron 1501 Motherboard Uw953
Dell Vostro 3550 Intel Laptop Motherboard Y0rgw 0y0rgw As Is Laptop Masters

Dell Motherboard Ati Cr584 Vostro 1000 Motherboards
Inspiron 1501 Vostro1000 System Board Uw953 Notebook Repair

Cn 00d46f 00d46f 0d46f For Dell Vostro 15 V15 Laptop Motherboard Kml50 La 4595p With G98 630 U2 Gpu Onboard Pm45 Ddr2 Vostro 1400 Vostro 1000 Ac Adaptervostro 1500 Aliexpress

Placa Mae Dell Vostro 1000 Da0fx2mbad7 Danificada

Cn 0w79x4 0w79x4 W79x4 For Dell Vostro 3500 V3500 Laptop Motherboard With N11m Ge1 S B1 Gpu Onboard Hm57 Ddr3 Fully Tested October

Dell Vostro 1000 Laptop Amd Motherboard As Is Not Tested Cr584 Uw509 For Sale Online Ebay

Original For Dell Vostro 3450 V3450 Laptop Motherboard 0jyyry Hm67 Integrated Dav02amb6e1 100 Fully Tested Vostro 1310 Vostro 1000 Power Supplyhm67 Aliexpress

Dell Vostro 1000 Inspiron 1501 Quanta Fx2 Rev D Schematics Alisaler Com

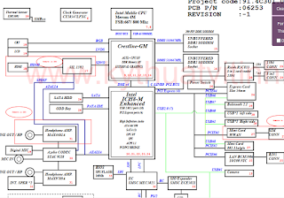
Dell Vostro 1000 Schematic Diagram

Dell Vostro 1000 Motherboard Talladega For Sale In Gadsden Alabama Classified Americanlisted Com

How To Take Apart Dell Vostro 1510 Inside My Laptop

Txkr9 Dell System Board Motherboard For Xps 8500 Vostro 470 Refurbished

Dell Vostro 1000 Parts Including Working Motherboard For Sale In Loughglynn Roscommon From Softwaresolutionsirl

Cn 0r6r4v 0r6r4v R6r4v Da0jw8mb6f1 W I3 3217u Cpu W N13p Gv2 S Gpu For Dell Vostro 5460 Notebook Pc Laptop Motherboard Computer Office Computer Components

Genuine Dell Vostro 1000 Laptop Amd Motherboard Assembly Da0fx2mbad Cr584 Walmart Com Walmart Com

Dell Vostro 1000 Laptop Keyboard Price Buy From Laptopstoreindia Com Also Provides Retail Sales From Chennai Bangalore Pune Mumbai Hyderabad

Da0fx2mbad7 Rev D Dell Vostro 1000 Laptop Motherboard Cn 0cr584 m 4431 Rev A03 0cr584 Dell
2

Buy Dell Vostro 3750 Laptop Motherboard N12p Ge A1 01tn63 Dav03amb8e1 Online In India At Lowest Prices Price In India Buysnip Com

Bj30m2jzqyw6um

Amazon Com Dell Motherboard Ati Cr584 Vostro 1000 Computers Accessories

Dell Latitude 131l Vostro 1000 Motherboard Ati Video Uw953

Dell Vostro 1000 Laptop Motherboard Cn 0cr584 Cr584 Tested 18 90 Picclick Uk

Cn 05hvfh Br 05hvfh 05hvfh 5hvfh La 41p For Dell Vostro 3560 V3560 Notebook Pc Laptop Motherboard Mainboard Tested Computer Office Computer Components

Dell Vostro 1000 Take Apart Disassemble How To Open Video Disassembly Youtube

Dell Latitude 131l Vostro 1000 Motherboard Ati Video Uw953

Dell Vostro 1000 Motherboard Amd Sempron 3600 2 0ghz Cpu Bundle Cr584 Motherboards

Dell Latitude 131l Vostro 1000 Inspiron 1501 Motherboard

Cn 08mrxc 08mrxc 8mrxc For Dell Vostro 3360 V3360 Laptop Computer Motherboard Da0v07mbac0 With I3 2367m Cpu Onboard Ddr3 Motherboard Laptop Computers Computer

Dell Vostro 1400 1500 1700 Bluetooth Module Card 0mt362 Mt362 T5152 Rx399 W9242

Amazon Com Dell Motherboard Ati Cr584 Vostro 1000 Computers Accessories

Dell Vostro 1000 Notebook Reviews Specification Battery Price

ộ ộ Nokotion For Dell Vostro 5470 Laptop Motherboard Dajw8cmb8e1 Cn 002dy8 002dy8 Main Board Sr16q I3 4010u Cpu Gt740m Video Card 70

For Dell Vostro 1015 A860 Pp37l 0pp37l Laptop Motherboard All Functions Good Work Motherboard Express Motherboard Noisemotherboard X38 Aliexpress
Vostro 5481 M 2 Ssd Installation Incompetent Support Dell Community

Dell Latitude 131l Vostro 1000 Inspiron 1501 Motherboard

Dell Latitude 131l Vostro 1000 Motherboard Ati Video Uw953

Dp N 1 For Dell Vostro 14 3445 Motherboard Pwb 1102f Cpu E1 6010 Grade A
Refurbished Dell Oem Inspiron 1501 Motherboard Uw953

For Dell Vostro 3560 V3560 Laptop Motherboard Pyfnx 0pyfnx Qcl00 La 41p No Repair In Motherboards From Computer Office

Dell Vostro 1000 Laptop Motherboard System Board Ati Radeon 1150 Cr584 For Sale Online Ebay

Buy Dell Vostro 14 Vostro 1400 Laptop Motherboard Kn548 0kn548 Online In India At Lowest Prices Price In India Buysnip Com

Amazon Com Dell Motherboard Ati Cr584 Vostro 1000 Computers Accessories

Dell Vostro 1000 Motherboard Amd Sempron 3600 2 0ghz Cpu Bundle Cr584 Motherboards

ộ ộ Laptop Motherboard For Dell Vostro 1015 V1015 Pc Mainboard 0tdv94 Davm9mmb6g0 Full Tesed Ddr3 A131

Dell Latitude 131l Vostro 1000 Motherboard Ati Video Uw953

Dell Vostro Wikipedia

New Dell Vostro 410 Desktop Intel Ddr2 System Motherboard J584c 0j584c Dg33a01
Dell Vostro 1000 Motherboard Pcb Schematic Diagram Pdf File Free Download Final Fixer Final Fixer Computer Repair Forum Free Bios Board View Schematic

Original Laptop Motherboard For Dell Vostro 3550 V3550 Y0rgw Cn 0y0rgw Buy For Vostro 3550 Motherboard For Vostro 3550 Motherboard Y0rgw Product On Alibaba Com

Dell Vostro 1000 Laptop Motherboard System Board Ati Radeon 1150 Cr584 For Sale Online Ebay

Refurbished Dell Oem Latitude 131l Motherboard 131lmobo
-von-Dell-1818634527.jpg)
Renewed Dell Vostro 410 Motherboard Dell Motherboards

Pin On Dell Motherboard
Dell Vostro 3550 Intel Laptop Motherboard Y0rgw 0y0rgw As Is Laptop Masters

Amazon Com Dell Motherboard Ati Cr584 Vostro 1000 Computers Accessories

Cn 0w79x4 0w79x4 W79x4 For Dell Vostro 3500 V3500 Laptop Motherboard With N11m Ge1 S B1 Gpu Onboard Hm57 Ddr3 Fully Tested Vostro 1000 Vostro 3700vostro 15 Aliexpress
Upper Edge Technology Dell Vostro 1000 Motherboard Cr584 Ati Radeon 1150 Same Day Shipping

Dell Latitude 131l Vostro 1000 Motherboard Ati Video Uw953

Motherboard Dell Vostro 1000 Series Used

Dell Inspiron 1501 Vostro 1000 Genuine Power Button Board Da0fx2thaco Tested Computers Tablets Networking Other Components Parts

Dell Vostro 1000 Inspiron 1501 Amd Laptop Motherboard

Dell Vostro 1000 Faulty Motherboard Mainboard 0cr584 Ref 116 For Sale Online Ebay

Amazon Com Dell Motherboard Ati Cr584 Vostro 1000 Computers Accessories

Dell Vostro 1000 Laptop Motherboard Cn 0cr584 Cr584 Tested Ebay

Qoo10 Direct From Usa Dell Vostro 1000 Inspiron 1501 Amd Laptop Motherboar Computer Game

Dell Vostro 1000 Laptop W Windows 10 For Sale In Churchtown Dublin From Gearinolongerneed

Schematic Motherboard For Laptop Dell Vostro 1000 Inspiron 1501 Quanta Kirin Fx2 With Ns Rev 1a

Dell Vostro 1000 Cr584 0cr584 Laptop Motherboard Cpu Amdtks3hax4dc Ebay

Dell Vostro Laptop Motherboard Repair Vostro Motherboard Repair

Dell Vostro 1000 Parts Including Working Motherboard For Sale In Loughglynn Roscommon From Softwaresolutionsirl

Dell D735t 0d735t Vostro 430 Desktop Dt Motherboard